



FQ41F46襯氟放料球閥
FQ41F46襯氟放料球閥適用在-50℃~150℃的各種濃度的水、硫酸、鹽酸、氫氟酸和各種有機酸、強酸、強氧化劑,FEP還適用于各種濃度的強堿有機溶劑以及其它腐蝕性氣體、液體介質的管路上使用。
| 產品名稱: | 襯氟放料球閥 | 產品型號: | FQ41F46 |
| 公稱通徑: | DN25~DN200 | 結構形式: | 球形 |
| 公稱壓力: | 1.6MPa~2.5MPa~4.0MPa | 連接方式: | 法蘭 |
| 適用溫度: | -29ºC~+180ºC | 驅動方式: | 手動、氣動、電動 |
| 閥體材質: | 鑄鋼、不銹鋼 | 制造標準: | 國標GB、德國DIN、美國API、ANSI |
| 適用介質: | 水、液體、顆粒狀顆粒等 | 生產廠家: | 上海凱利科閥門有限公司 |
| 聚三氟乙烯 PCTEF (F3) | 適用介質:各種有機溶劑,無機腐蝕液(氧化性酸類) 使用溫度:-195~120特點:耐熱性,電性能和化學穩定性僅次于F4,機械強度,蠕變性能,硬度比F4好些 |
| 聚全氟乙烯FEP (F46) | 適用介質:任何有機溶劑或試劑,稀或濃無 機 酸,堿,酮,芳烴,氯化烴等。使用溫度: -85~150特點:力學,電性能和化學穩定性基本與F4相同,但突出優點是動擊韌性 高,有極好的耐候性和輻射性。 |
| 聚烯烴PO |
適用介質:各種濃度的酸堿鹽及某些有機溶劑。 使用溫度:-58~80特點:是目前世界最理想的防腐材料,已廣泛用于旋轉成型的大型設備和管道件內襯。 |
| 聚偏氯乙烯 PVDF(F2) | 使用介質:耐大多數化學藥品和溶劑,使用溫度:-70~100特點:拉紳強度與壓縮強度比F4好,耐彎折,耐候,耐輻射。耐光和老化等,最大特 點是韌性好,易成型。 |
| 聚四氯乙烯 PTFE(F4) | 使用介質:強酸,強堿,強氧化劑等。使用溫度:-200~180特點:具有優異的化學穩定性,有很高的耐熱性,耐寒性,磨擦系數很低,是極好的 自潤滑材料,但機械性能較低,流動性差,熱膨脹大。 |
| 聚氯乙烯: 硬質)PVC | 適用介質:耐水,濃堿,非氧化性酸,鏈烴,油和臭氧等。使用溫度:0-55特點:機械強度較高,化學穩定性及介電性能優良,耐油性和抗老性也較好,易熔接及粘合,價格較低。 |
| 聚丙烯: RPP | 適用介質:無機鹽類的水溶液,無 機 酸類,堿類的稀或濃溶液。使用溫度:-14~80特點:最輕的塑料之一,其屈服,拉伸和壓縮強度,硬度均優于低壓聚乙烯,有很突出的剛性,耐熱性好,易成型,優廉。改性后動擊性,流動性,彎曲彈性。 |
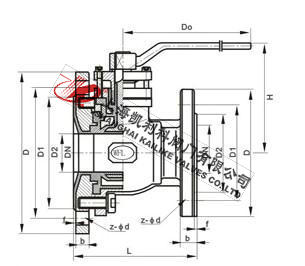
| 公稱通徑 | PN1.6(MPa) 主要外形尺寸和連接尺寸 (mm) | 重量 | |||||||||
| DN | L | D | D1 | D2 | f | b | z-φd | D0 | H | kg | |
| 32 | 140 | 135/160 | 100/130 | 78/115 | 3/3 | 18/20 | 4-φ14/4-φ18 | 200 | 130 | 9 | |
| 40 | 160 | 145/185 | 110/150 | 85/125 | 3/4 | 18/22 | 4-φ18/4-φ18 | 230 | 135 | 15 | |
| 79 標 | 50 | 170 | 160/205 | 125/170 | 100/140 | 3/4 | 20/24 | 4-φ18/4-φ18 | 250 | 140 | 18 |
| 80 | 200 | 195/245 | 160/200 | 130/175 | 4/5 | 22/26 | 4-φ18/8-φ18 | 300 | 205 | 35 | |
| 69 標 | 50 | 170 | 160/230 | 125/190 | 100/140 | 3/4 | 20/24 | 4-φ18/8-φ14 | 250 | 140 | 18 |
| 80 | 200 | 195/245 | 160/210 | 130/175 | 4/5 | 22/26 | 4-φ18/10-φ14 | 300 | 205 | 35 | |
| 100 | 280 | 215/280 | 180/240 | 150/210 | 4/5 | 24/28 | 8-φ18/8-φ23 | 350 | 230 | 44 | |
聲明:【FQ41F46襯氟放料球閥】規格型號、結構尺寸由上海凱利科閥門有限公司提供,如何選擇適用的FQ41F46襯氟放料球閥產品,使之在工藝控制中安全可靠、經濟適用,可致電我司銷售部門及技術部門,我們將在最短的時間內為您解答! |